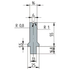
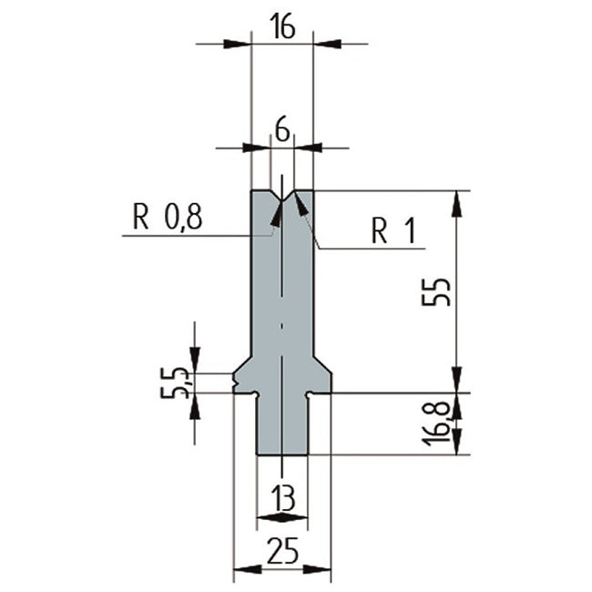
86°/V6/H55 - 3250
Impossible de charger la disponibilité pour le Service de retrait
Matrice simple en V 86°
Angle: 86°
Ouverture: 6mm
Rayon: 0.8mm
Hauteur: 55mm
Capacité T/m: 120
Matériel: 42CrMo
Dureté: 58-60 HRC
Marque : Eurostamp
Moyennant une surcharge et un délai de livraison plus long, nous pouvons modifier cet outil pour vous. Veuillez communiquer avec nous.
*La concordance aux outils originaux Wila-Trumpf n’est pas garantie. Mais la concordance entre des mêmes numéros d’outils FabTooling est assurée dans le temps si non usés




