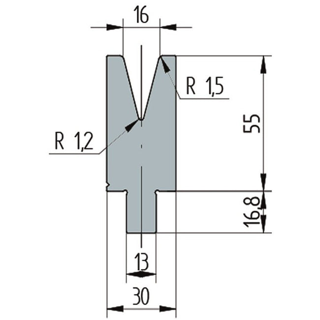
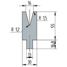
30°/V16/H55 - 3264
Impossible de charger la disponibilité pour le Service de retrait
Matrice simple en V 30°
Angle: 30°
Ouverture: 16mm
Rayon: 1.2mm
Hauteur: 55mm
Capacité T/m: 20
Matériel: 42CrMo
Dureté: 58-60 HRC
Marque : Eurostamp
Moyennant une surcharge et un délai de livraison plus long, nous pouvons modifier cet outil pour vous. Veuillez communiquer avec nous.
*La concordance aux outils originaux Wila-Trumpf n’est pas garantie. Mais la concordance entre des mêmes numéros d’outils FabTooling est assurée dans le temps si non usés




