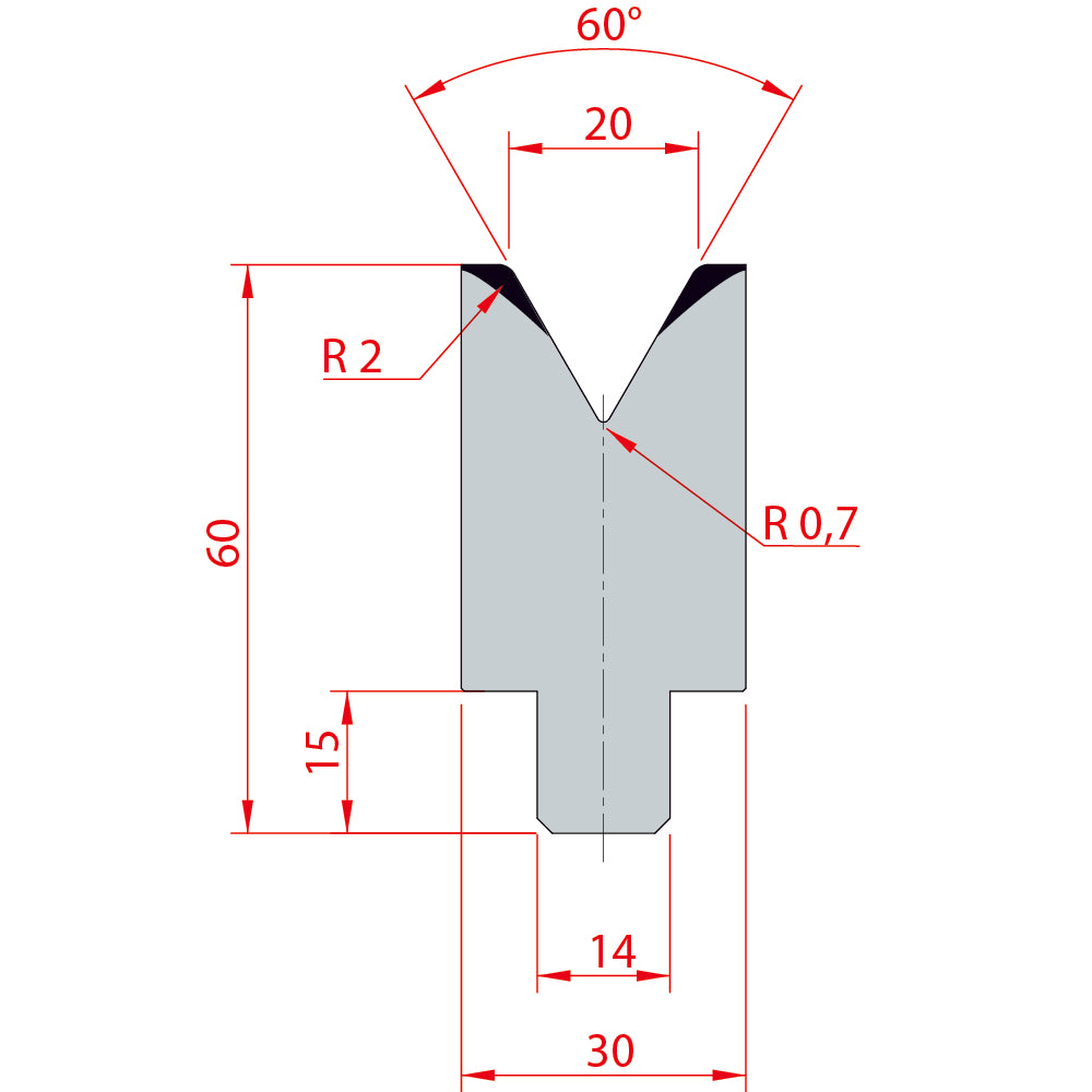
60°/V20/H60 - 3198
Impossible de charger la disponibilité pour le Service de retrait
Simple matrice en V 60°
Angle: 60°
Rayon: 0.7mm
Ouverture: 20
Hauteur: 60
Capacité T/m: 100
Matériel: 1045 Standard
Dureté: 55-60 HRC
Moyennant une surcharge et un délai de livraison plus long, nous pouvons modifier cet outil pour vous. Veuillez communiquer avec nous.



