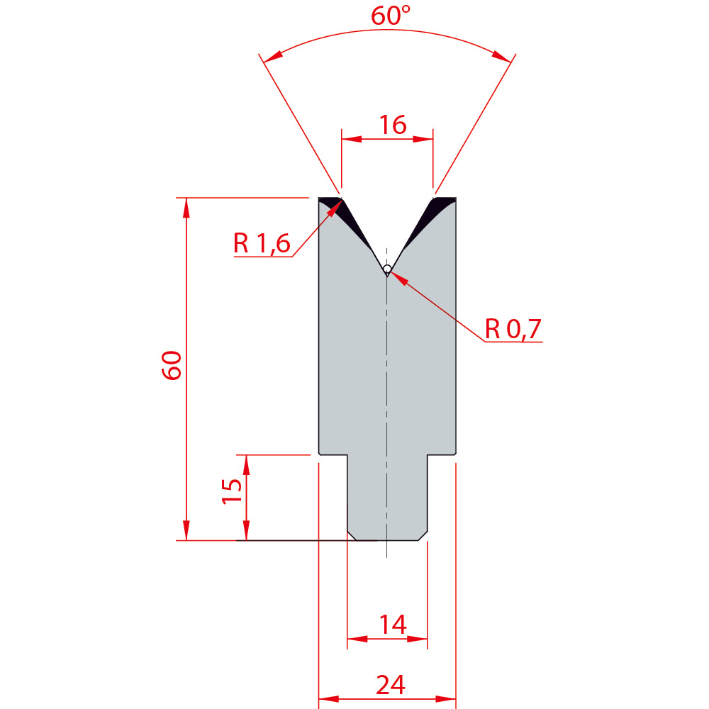
60°/V16/H60 - 3197
Impossible de charger la disponibilité pour le Service de retrait
Simple matrice en V 60°
Angle: 60°
Rayon: 0.7mm
Ouverture: 16mm
Hauteur: 60mm
Capacité T/m: 100
Matériel: 1045 Standard
Dureté: 55-60 HRC
Moyennant une surcharge et un délai de livraison plus long, nous pouvons modifier cet outil pour vous. Veuillez communiquer avec nous.



