85°/V8/H80 - 3087
Impossible de charger la disponibilité pour le Service de retrait
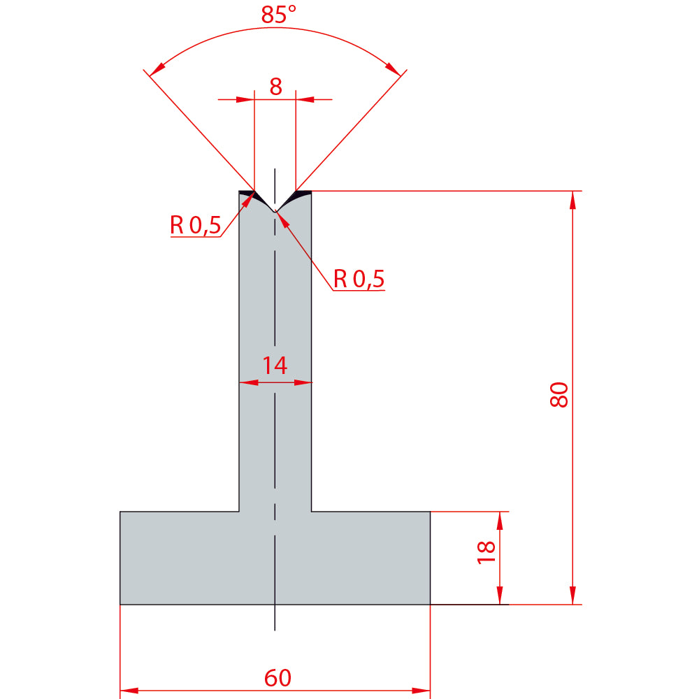
Matrices simple en T H80 85°
Angle: 85°
Ouverture: 8
Rayon: 0.5
Hauteur: 80mm
Capacité T/m: 100
Matériel: 1045 Standard
Dureté: 55-60 HRC
Moyennant une surcharge et un délai de livraison plus long, nous pouvons modifier cet outil pour vous. Veuillez communiquer avec nous.



