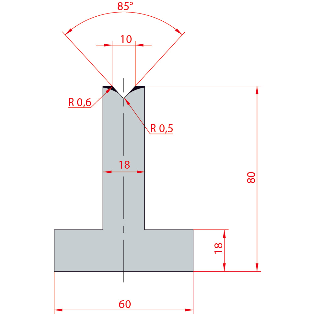
85°/V10/H80 - 3088
Impossible de charger la disponibilité pour le Service de retrait
Matrices simple en T H80 85°
Angle: 85°
Ouverture: 10mm
Rayon: 0.5mm
Hauteur: 80mm
Capacité T/m: 100
Matériel: 1045 Standard
Dureté: 55-60 HRC
Moyennant une surcharge et un délai de livraison plus long, nous pouvons modifier cet outil pour vous. Veuillez communiquer avec nous.



